Камины Очаг — когда деньги не вылетают в трубу!

Каминная топка Spartherm Varia B-FDH

cc188a16a9c8
Доставка в Санкт-Петербург
Удобство оплаты
Почему звонить в Очаг уже сейчас?
  • Единая цена по всей России
  • Бесплатная доставка
  • Понимаем любой бюджет
  • Считаем ВСЕ варианты
  • Инструкции и видео для Монтажа
  • Доступно, Оперативно, Профессионально
  • Более 2 000 монтажей за 17 лет

Примеры работ     #Степан_Знает

Описание
Характеристики

Общие

Производитель:
Страна-производитель:
Германия
Гарантия
:
5 лет
Материал корпуса:
Материал топки:
  • Керамика
Конструкция топки:
Стекло с подъемом вверх:
Да
Боковое стекло:
Нет

Размеры

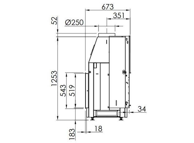
Диаметр дымохода:
250 мм
Общая ширина:
1210 мм
Общая глубина:
662 мм
Общая высота:
1266 мм
Ширина рамки:
1006 мм

Производительность

Мощность:
11 кВт
КПД:
79%
Площадь отопления:
110 м²
Объем отопления:
275 м³
Использование для отопления:

Особенности

Водяной контур:
Нет
Подвод внешнего воздуха:
Дожиг газов:
Подача воздуха на стекло:
Да
Зольный ящик:
Да
Шибер:
Нет
Подъем стекла вверх: