Камины Очаг — когда деньги не вылетают в трубу!

Каминная топка Spartherm Mini S-FDH

97331bac16c3
Доставка в Санкт-Петербург
Удобство оплаты
Почему звонить в Очаг уже сейчас?
  • Единая цена по всей России
  • Бесплатная доставка
  • Понимаем любой бюджет
  • Считаем ВСЕ варианты
  • Инструкции и видео для Монтажа
  • Доступно, Оперативно, Профессионально
  • Более 2 000 монтажей за 17 лет

Примеры работ     #Степан_Знает

Описание
Характеристики

Общие

Производитель:
Страна-производитель:
Германия
Гарантия
:
5 лет
Материал корпуса:
Материал топки:
  • Керамика
Конструкция топки:
Стекло с подъемом вверх:
Да
Боковое стекло:
Нет

Размеры

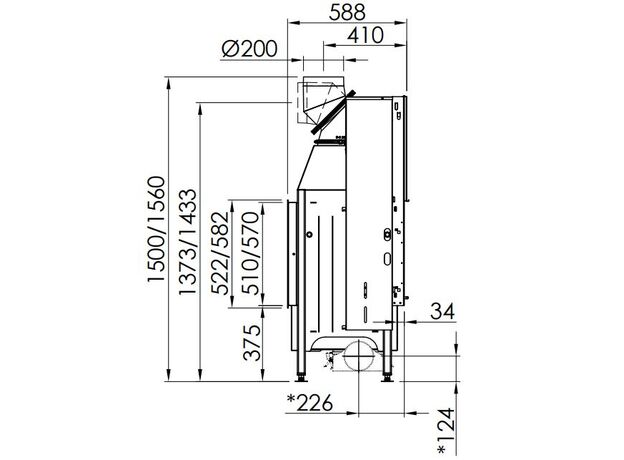
Диаметр дымохода:
200 мм
Общая ширина:
771 мм
Общая глубина:
578 мм
Общая высота:
1405 мм
Ширина рамки:
606 мм

Производительность

Мощность:
6 кВт
КПД:
78%
Площадь отопления:
60 м²
Объем отопления:
150 м³
Использование для отопления:

Особенности

Водяной контур:
Нет
Подвод внешнего воздуха:
Дожиг газов:
Подача воздуха на стекло:
Да
Зольный ящик:
Да
Шибер:
Нет
Подъем стекла вверх:
За те же деньги