Камины Очаг — когда деньги не вылетают в трубу!

Каминная топка Hoxter ECKA 51/51/51h

5b2491b16a73
В наличии
636 750 
592 178 
Вы экономите: 44 572 ₽ (7%)
ПроизводительHoxter Страна-производительЧехия Мощность9 кВт
Доставка в Санкт-Петербург
Удобство оплаты
Почему звонить в Очаг уже сейчас?
  • Единая цена по всей России
  • Бесплатная доставка
  • Понимаем любой бюджет
  • Считаем ВСЕ варианты
  • Инструкции и видео для Монтажа
  • Доступно, Оперативно, Профессионально
  • Более 2 000 монтажей за 17 лет

Примеры работ     #Степан_Знает

Описание
Характеристики

Общие

Производитель:
Страна-производитель:
Чехия
Гарантия
:
5 лет
Остекление:
Материал корпуса:
Материал топки:
  • Шамот
Конструкция топки:
Стекло с подъемом вверх:
Да

Размеры

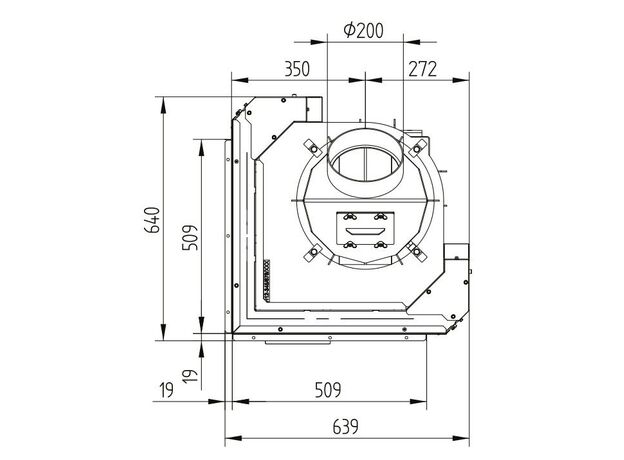
Диаметр дымохода:
200 мм
Общая ширина:
640 мм
Общая глубина:
640 мм
Общая высота:
1382 мм
Общий вес:
261 кг

Производительность

Мощность:
9 кВт
КПД:
80%
Площадь отопления:
90 м²
Объем отопления:
225 м³
Использование для отопления:

Особенности

Водяной контур:
Нет
Подвод внешнего воздуха:
Дожиг газов:
Подача воздуха на стекло:
Да
Зольный ящик:
Нет
Шибер:
Нет
Подъем стекла вверх:
За те же деньги